Custom Home Energy Storage Systems Battery Charging Rack Storage Cabinet 50kw 100kw

Customization: Available
Nominal Voltage: 76.8V
Warranty: 10 Years

Product Description

i

Basic Information

Model
SWMonet-50C
Nominal Capacity
120ah
Cycle Life
6000 Cycles
Rated Voltage
844.8V
Voltage Range
739V~950.4V
Battery Type
LFP (Lithium Iron Phosphate)
Protection
IP55
Cooling
Intelligent Air Cooling
Communication
Ethernet/485/CAN
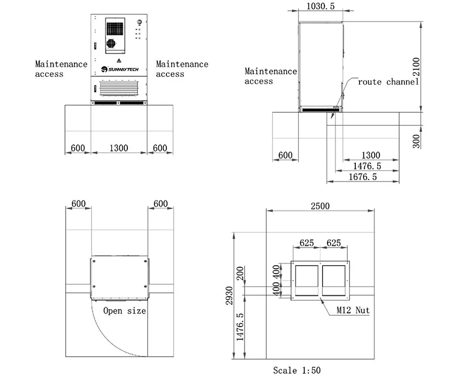
Dimensions
1300*1000*2100mm
!

Product Description

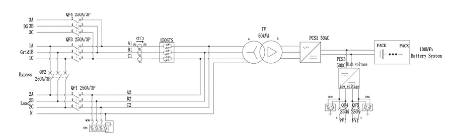
OUTDOOR CABINET ENERGY STORAGE SYSTEM (50KW / 100KWH)
This outdoor energy storage cabinet integrates high-performance energy storage batteries, modular PCS, an energy management monitoring system, power distribution, environmental control, and fire suppression systems. Designed with modular PCS for easy maintenance and expansion, the cabinet features front-access maintenance to minimize footprint. It offers a secure, reliable, and rapidly deployable solution with high energy efficiency and intelligent management capabilities.
Outdoor Energy Storage System

Technical Parameters

System Specifications
Rated Energy Storage Capacity100kWh
PV Voltage Range (MPPT)250~600V
PV Maximum Current160A
Rated AC Power50kW
Rated AC Current72A
Rated AC Voltage400V, 3W+N+PE
Power Factor-1 lead ~ +1 lag
Operating Temperature-25°C ~ 60°C
Altitude2000m
Isolation MethodTransformer Isolation
Battery System Details
Battery TypeLithium iron phosphate (LFP)
Cell Nominal Voltage3.2V
Cell Capacity120Ah
Battery Pack Configuration1P24S
Pack Rated Energy9.216kWh
Total Battery System WeightApprox. 935kg

Product Details

Detail 1
Detail 2
Detail 3
Detail 4

Project Case

Application Case
📦

Packaging & Shipping

Package Size
200cm * 150cm * 250cm
Gross Weight
2500.00kg
Shipping Package
?

Frequently Asked Questions

What is the lifespan of this energy storage system?
The system utilizes Lithium Iron Phosphate (LFP) batteries with a cycle life of approximately 6000 cycles, ensuring long-term reliability and performance.
Is the cabinet suitable for outdoor environments?
Yes, the system is designed with an IP55 protection rating and features an intelligent air cooling system to operate effectively in temperatures ranging from -25°C to 60°C.
What communication protocols does the system support?
The system supports multiple communication interfaces including Ethernet, RS485, and CAN for seamless integration with EMS and BMS monitoring.
How is the safety of the battery system managed?
The cabinet integrates an Energy Management System (EMS), a Battery Management System (BMS), and built-in fire control systems to monitor and ensure operational safety at all times.
Can the capacity of the system be expanded?
Yes, the system uses a modular PCS design, making it easy to maintain and convenient for future capacity expansion based on your energy requirements.

Related Products